Hosted ondailyplanet.iovia theHypermedia Protocol

    Vestax Handy Trax

    VESTAX HT CROSSFADER MOD INTERNO:

    Beneficios del crossfader interno:

      Poner el corte tras el preamp del propio plato y no tras la amplificación con elementos externos como utilizan otros para este plato son:

      Poder añadir el Line In con su propio conector (siguiente post)

      Evitar tener que ir con cables y cacharros sueltos.

      Hacer el mod para el control de volumen.

    Material necesario:

      Taladro (para poner los tornillos del crossfader)

        Recomendable broca de avellanado para mejor acabado de los tornillos.

      Crossfader. Vamos a utilizar un gran crossfader de fabricación nacional, el Magneto Fader.

      Magneto fader logo

        Soldador

        Estaño

        Pistola de silicona

        Herramientas varias para desmontar.

        Condensadores. Yo he usado 2 condensadores de 1uF NP pero se podría utilizar otros.

        Resistencias:

          2uds – 1K

          2uds – 1M

      Primer Magneto Fader usado para este mod.

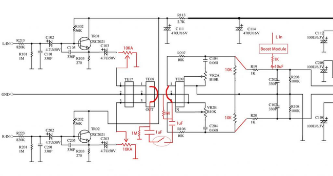
    El esquema original:

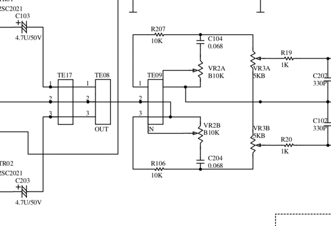
      En este esquema centraremos la atención en *TE08 *y TE09. Ademas también *VR3A *es el Fader de Volumen del plato por defecto.

      Los conectores *TE08 *y *TE09 *van a la placa donde están los conectores. En concreto lo que hace es ir (TE08) y venir (TE09) la señal a través del conector Line In. El conector Line In del Vestax Handy Trax al conectar algo desconecta el sonido del plato. Ya trataremos en el siguiente Post como usar este para conectar una instrumental haciendo un sencillo mixer pasivo.

      PCB HT Vestax

    El esquema con los Mods.

      Veremos como sale del conector TE08 un cable y otro del TE09. El otro extremo dejarlo encintado que ya los utilizaremos para conectar la instrumental al plato. Los dos cables que salen del TE08 y TE09 tendrá 3 hilos cada uno, uno de tierra y los otros dos el estéreo de la señal. El Magneto corta en MONO así que juntaremos los dos hilos de señal y a esta punta añadiremos un condensador y de ahí al crossfader. El condensador yo he utilizado uno de 1uF NP pero se podría utilizar más grandes. La función de estos es reducir cualquier corriente DC que pueda producir «Pop» al cortar. Para minimizar este efecto también añadiremos unas resistencias «pull-down» de 1M a tierra. Después se conectan los dos hilos del switch que van al Magneto Fader y ya tendremos el corte después del preamp.

      Lo siguiente será desoldar el Fader original. Una vez desoldado uniremos los dos pines para dar continuidad a la señal y después una resistencia de 10K a tierra. Los puntos para hacerlo son los especificados en el esquema.

      La imagen también tiene modificaciones que explicaremos más adelante como añadir line in o el control de volumen del plato.

      Desoldar Fader original:

      PCB con el fader original desoldado.

      Cable del TE08 y TE09 cortado:

    El bricolaje:

      Por último, una vez hecha la electrónica lo que nos hace falta es poner el Crossfader en el sitio. Para ello lo primero es hacer dos taladros para poder anclar el crossfader al chasis.

      Posteriormente usé una broca de avellanado para dejar más enrasado los tornillos.

      Lo siguiente y por último es ajustar el Switch del Magneto Fader para poner el Corte donde deseamos. En mi caso scratcheo en Hamster por lo que lo pondré en la izquierda. Para poner el conmutador en el sitio antes he realizado pruebas con sonido y el crossfader montado.

    El resultado:

      Finalmente ensamblamos el plato y solo queda darle duro.

    Primer mod. Botón Start/Stop

      Si te lo perdiste y aún no se lo has puesto a tu plato ¿a qué esperas?

    Vestax Handy Trax Mod - Botón Start/Stop